El principio de superposición en circuitos eléctricos
El principio de superposición en circuitos eléctricos
El principio de superposición en circuitos eléctricos
En general, se acepta que el trabajo de un electricista es bastante peligroso; después de todo, se ocupa de la electricidad y cualquier error puede provocar una tragedia. Además, generalmente se cree que es difícil y requiere muchos conocimientos. Mientras tanto, no necesitas ser un maestro electricista para crear un circuito eléctrico, seleccionar los elementos apropiados o determinar las distribuciones de corriente y voltaje con una pequeña contribución de tu parte.
Por supuesto, no estamos hablando de conexiones eléctricas complicadas en una casa inteligente, pero, en principio, el funcionamiento de un sistema de este tipo se basa en las mismas leyes de la física. Hay una fuente de corriente que obliga a los electrones a fluir en un conductor, en cuyo extremo hay un receptor de energía, y listo. Cabe destacar aquí que la implementación de una instalación eléctrica segura de acuerdo con el arte y su equipamiento con un bien pensado cuadro eléctrico y la realización de mediciones adecuadas sólo puede ser realizada por un electricista experimentado y capacitado con las calificaciones adecuadas; sin embargo, un modelo básico creado con fines didácticos o de hobby debería estar al alcance de cada uno de nosotros.
- Conceptos básicos de circuitos eléctricos
- Cómo utilizar el principio de superposición
- ¿Vale la pena aprender el método de superposición?
Introducción a los circuitos eléctricos
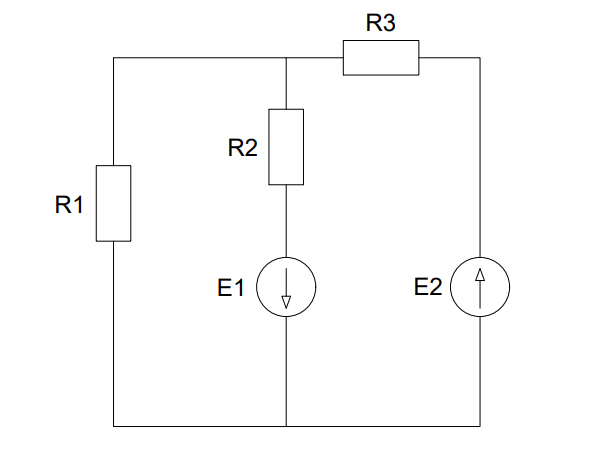
Para introducir al lector en los secretos de los circuitos eléctricos, comencemos con lo que realmente son y qué elementos pueden incluirse en ellos. Un circuito eléctrico es un sistema compuesto por un conductor y una serie de elementos diseñados para suministrar corriente eléctrica a los receptores. Componentes del circuito eléctrico como los conmutadores o los interruptores le permiten controlar el flujo de electricidad y cambiar su curso o bloquear completamente el flujo. Los circuitos eléctricos se describen mediante diagramas eléctricos, en los que las líneas rectas indican un conductor que conecta elementos individuales del circuito, mientras que otros componentes se representan mediante pictogramas característicos de un dispositivo determinado. Para comprender la estructura de un circuito eléctrico y sus elementos básicos, el siguiente diagrama muestra un ejemplo sencillo.
Fig. 1 Símbolos básicos en un circuito lineal
El diagrama muestra los elementos más importantes de cada circuito eléctrico. Estos son:
E1, E2 – fuentes de voltaje;
R1, R2, R3 – resistencias.
El sistema anterior contiene una fuente de energía necesaria para cada circuito eléctrico, que alimentará el receptor conectado mediante un cable. Por supuesto, estos no son los únicos elementos que podemos encontrar en los esquemas de conexión de los circuitos eléctricos. Muy a menudo nos encontramos con pictogramas como la letra A o V colocada en un círculo (a su vez amperímetro y voltímetro) o el símbolo X en un círculo, que simboliza una bombilla. Para todos los lectores interesados en ampliar sus conocimientos, existen numerosas publicaciones y guías gratuitas en Internet, gracias a las cuales podrán adquirir fácilmente conocimientos sobre símbolos eléctricos.
¿Por qué se utilizan estos diagramas para describir un circuito eléctrico? Bueno, son la forma más clara de presentar todos los componentes del circuito y, al mismo tiempo, muestran la imagen completa de las conexiones. Un conjunto unificado de marcas permite que todos, a pesar de las barreras del idioma, comprendan la estructura de instalación utilizada y realicen correcciones en el diseño.
Es importante que el circuito eléctrico esté cerrado. Sólo entonces puede fluir la corriente. Además, todos los componentes del circuito deben estar fabricados de materiales conductores.
Los circuitos eléctricos se pueden dividir en varios grupos debido a ciertas características:
1) Por el tipo de corriente que circula por el conductor:
- Circuitos de corriente continua;
- Circuitos de corriente alterna.
2) En cuanto a la conexión del receptor utilizada:
- Circuitos en serie – en tal conexión, el final del primer elemento está conectado con el comienzo del siguiente. En tal sistema, la falla de uno de los eslabones de la cadena de conexiones hace que se detenga el funcionamiento de todos los elementos posteriores.
- Circuitos paralelos – en este caso, todos los elementos eléctricos del circuito tienen un inicio y un final común y están alimentados por la misma tensión eléctrica. La diferencia con un circuito en serie es el hecho de que cada uno de ellos está separado por una rama separada, lo que permite que fluyan diferentes corrientes. El fallo de uno de ellos no afecta al funcionamiento de los demás.
- Circuitos en serie/paralelo – se crean combinando circuitos en serie y en paralelo.
3) En cuanto a la linealidad del circuito:
- Circuitos lineales – en tales circuitos se cumple para todos los elementos utilizados la ley Ohm. En otras palabras, todas las fuentes y receptores de corriente utilizados tienen características lineales;
- Circuitos no lineales – dicho circuito contiene al menos un elemento con características no lineales y, por lo tanto, las características de voltaje/corriente no son lineales.
En el resto del texto, nos centraremos en los circuitos lineales y el método para calcular los flujos de corriente en circuitos lineales.
El principio de superposición – ¿qué es y cómo utilizarlo?
Uno de los métodos utilizados para analizar circuitos lineales es el método de superposición. Es particularmente útil en sistemas que contienen al menos dos fuentes independientes (corriente o voltaje). La definición del libro se puede citar de la siguiente manera: "La respuesta del sistema a la suma de forzamientos es igual a la suma de las respuestas a cada forzamiento por separado". Esta fórmula parece bastante complicada, sobre todo si no hemos tenido ningún contacto antes con los términos utilizados en tecnología. La mejor forma de entenderlo es presentar un ejemplo en el que se calcule la corriente que circula en un circuito lineal.
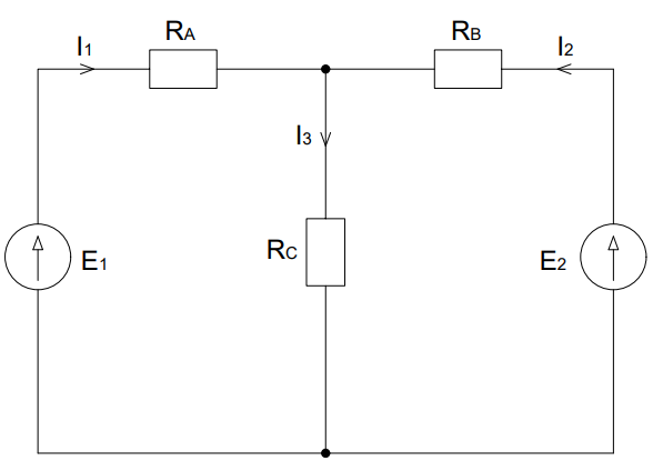
Fig. 2 Circuito lineal con dos fuentes de energía
Según el diagrama anterior, el circuito tiene dos fuentes de voltaje y tres elementos resistivos. Uno de ellos está ubicado en un ramal del circuito principal. El objetivo de la tarea será dibujar vectores de flujo actuales y calcular sus valores. Debido a los valores de resistencia y voltaje seleccionados aleatoriamente, los cálculos se realizarán con cierta aproximación.
Supongamos los siguientes datos:
El primer paso para determinar la intensidad de la corriente será determinar las direcciones de su flujo. Esta tarea no será extremadamente difícil, porque cada fuente de voltaje con su vector indica en qué dirección será forzado el flujo. Una cuestión importante que no se puede olvidar en esta etapa es tener en cuenta la corriente en la rama donde se encuentra la resistencia .
Fig. 3 Determinación de las direcciones del flujo de corriente.
Según la teoría del principio de superposición citada anteriormente, para considerar el circuito completo, podemos dividirlo en dos partes reemplazando una de las fuentes de energía con un cortocircuito derivado, y después de calcular los componentes actuales, proceder de manera similar con la siguiente. uno.
Llegados a este punto, cabe señalar que si en lugar de una fuente de tensión apareciera una fuente de corriente, estaríamos sustituyéndola por una interrupción en el circuito. Dado que las corrientes que circulan por el circuito serán la suma de dos componentes - la primera del circuito suministrada por la fuente, y el segundo con la fuente , la primera de las cuales marcaremos con "prim".
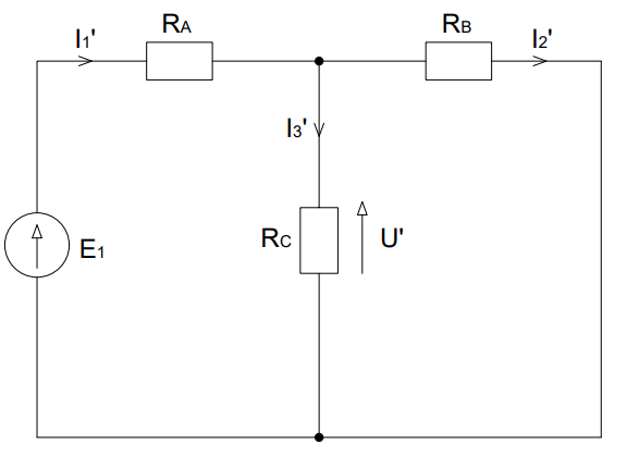
Fig. 4 Reemplazo de una de las fuentes con un cortocircuito
Como se ve en el diagrama de arriba, la fuente se ha eliminado y por lo tanto la corriente fluye a través de la resistencia ha cambiado su dirección. En este punto, sólo una fuente alimenta todo el circuito. Con esta forma del sistema, calculamos la resistencia equivalente para las resistencias y utilizando la siguiente relación:
Entonces determinamos el valor real de corriente
Usando la ley de Ohm calculamos el voltaje U’:
El valor de la tensión U' permite entonces calcular la corriente y también :
El siguiente paso será resolver un circuito similar, esta vez tomando un valor . Por supuesto, también en este caso los vectores de corriente deben orientarse de forma adecuada.
Fig. 5 Reemplazo de la segunda fuente con un cortocircuito
De manera similar a lo anterior, calculamos la resistencia equivalente para el circuito eléctrico resultante:
Esta vez, el valor de la corriente calculada está relacionado con una fuente de alimentación diferente, por lo que está marcado con el símbolo "bis":
Del mismo modo, calculamos el voltaje:
Luego, según la ley de Ohm, determinamos los valores de corriente y también
Ahora es el momento de calcular la corriente del circuito principal. Los resultados obtenidos son la suma algebraica de ambos componentes. Para realizar el cálculo correctamente se debe prestar especial atención al signo que precede a los valores de las corrientes calculadas. Hablamos de valor positivo cuando los vectores de los componentes de la corriente se dirigen en la dirección del flujo en el circuito base, y de valor negativo cuando uno de los componentes se dirige en contra de la corriente en el circuito principal.
De esta forma sencilla, utilizando el método de superposición, fue posible calcular los valores de las corrientes que circulan por el circuito lineal analizado.
Resumen – ¿vale la pena aprender el método de superposición?
El principio de superposición es uno de los métodos más sencillos para calcular los flujos de corriente en circuitos lineales. Sin embargo, debido a la gran cantidad de cálculos que se deben realizar, es práctico utilizarlo especialmente en variantes con dos o tres fuentes de energía. La capacidad de utilizar una herramienta de este tipo para determinar las corrientes en un circuito es la base del conocimiento de la ingeniería eléctrica y permite comprender los principios de funcionamiento de los circuitos eléctricos. Vale la pena dedicar tiempo a aprender a fondo el principio de cálculo mediante el método de superposición, especialmente al comienzo de su viaje al mundo de la ingeniería eléctrica. Por supuesto, no es el único método que un electricista principiante necesitará conocer. Conocer otras herramientas utilizadas para determinar flujos a través de un circuito (por ejemplo, la Ley Kirchhoff) es posible combinar ambas y simplificar los cálculos.

